| Hydraulic system |
|
| System working pressure | 24.5MPa |
| Maximum flow | 70L/min |
| Hydraulic pump type | Plunger pump |
| Swing motor type | Plunger hydraulic motor |
| Travel motor type | 2-speed plunger hydraulic motor |
| engine |
|
| Engine Brand | Yanmar |
| Engine Model | 3TNV80F |
| Rated Power | 15.2kw/2500rpm |
| Fuel tank | 20L |
| Mechanical properties |
|
| 1st gear driving speed | 2.5km/h |
| 2 speed gears | 4.5km/h |
| Rotation speed | 9.5r/min |
| Gradeability | 30° |
| Maximum digging force | 20kN |
| Bucket Capacity | 0.068m3 |
| Operating Weight | 2200kg |
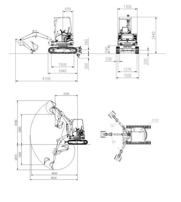
| Machine size |
|
| Overall machine height | 2440mm |
| Boarding width | 1300mm |
| gauge | 1070mm/1270mm |
| Gingival drive device width | 1300mm/1500mm |
| Track width | 230mm |
| Length during transportation | 4100mm |
| Minimum ground clearance | 220mm |
| Working dimensions |
|
| Working dimensions | 4190mm |
| Maximum digging depth | 2410mm |
| Maximum unloading height | 2880mm |
| Maximum digging radius | 4520mm |
| Maximum digging radius on the ground | 4400mm |
| Tail swing radius | 700mm |
| Maximum lifting height of bulldozer | 260mm |
| Maximum lowering depth of bulldozer | 300 |
| Maximum swing angle of boom to the left | 65° |
| Maximum swing angle of boom to the right | 50° |