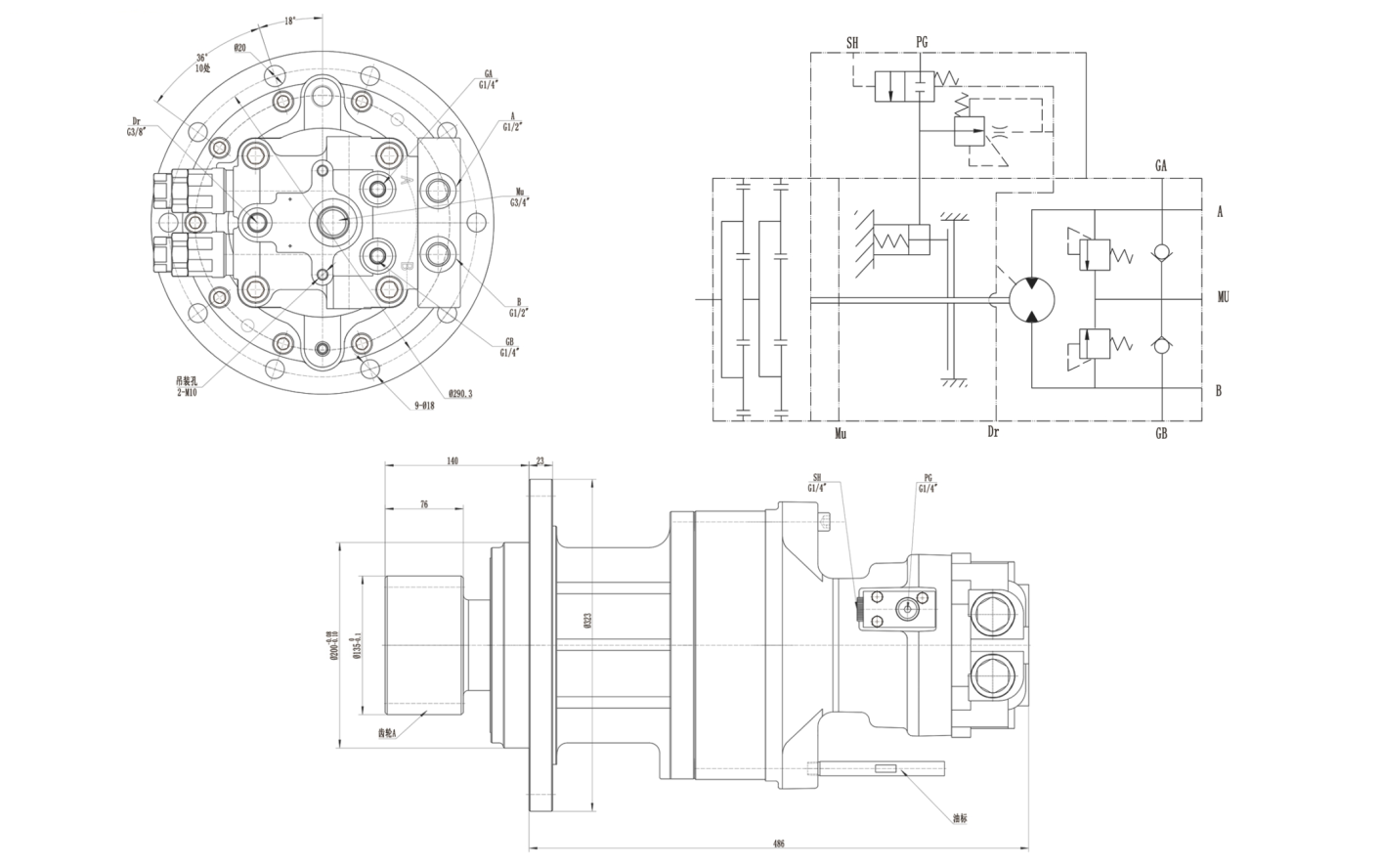
Applicable models: 11-16-ton hydraulic excavator rotary drive device,
Frame mounting hole 9-018 (+1 positioning hole), vertical shaft large tooth (11T/12T)
SY135,LG915,XE150,SK135,
SK140-8, JCM913, FR150

64
25.4
130
4970
19.04
106
Applicable models: 11-16-ton hydraulic excavator rotary drive device,
Frame mounting hole 9-018 (+1 positioning hole), vertical shaft large tooth (11T/12T)
SY135,LG915,XE150,SK135,
SK140-8, JCM913, FR150
